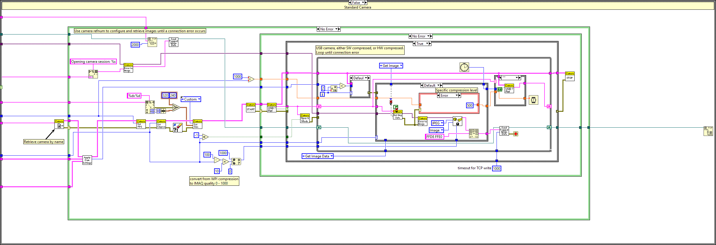
This VI is launched each time a new client camera connection is requested. The connection will remain open until closed by the client or because of errors with the camera. Parameters are name/lvalue pairs that have been parsed from a URL request. Supported parameters are name, fps, resolution, compression, exposure, brightness, whitebalance, sharpness, and colorlevel.
The first four parameters are filled with defaults if not provided, but the latter four are only set if provided.


|
|
connection ID connection ID is a network connection refnum that uniquely identifies the TCP connection. Use this value to refer to this connection in subsequent VI calls. |
|
|
parameters |
|
|
Cluster |
|
|
token string |
|
|
token string 2 |
|
|
Switched Camera Name |





























|
|
Error Cluster From Error Code.vi C:\Program Files (x86)\National Instruments\LabVIEW 2019\vi.lib\Utility\error.llb\Error Cluster From Error Code.vi |
|
|
Clear Errors.vi C:\Program Files (x86)\National Instruments\LabVIEW 2019\vi.lib\Utility\error.llb\Clear Errors.vi |
"ArgosLib.lvlib:SwitchingHTTPCameraResponder.vi History"
Current Revision: 241

