

|
|
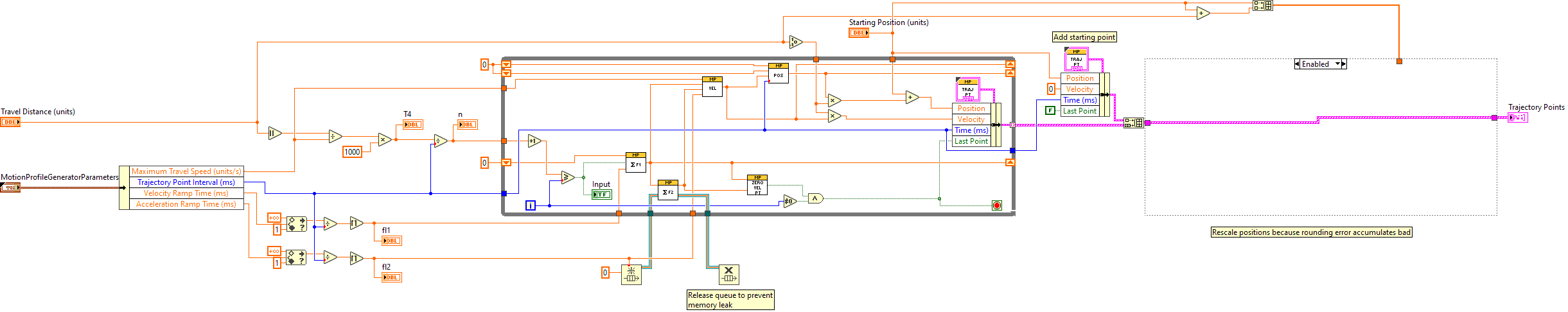
Travel Distance (units) |
|
|
Starting Position (units) |
|
|
MotionProfileGeneratorParameters |
|
|
Trajectory Point Interval (ms) |
|
|
Maximum Travel Speed (units/s) |
|
|
Velocity Ramp Time (ms) |
|
|
Acceleration Ramp Time (ms) |
|
|
Trajectory Points |
|
|
trajectory point |
|
|
Position |
|
|
Velocity |
|
|
Time (ms) |
|
|
Last Point |
|
|
n |
|
|
fl1 |
|
|
fl2 |
|
|
T4 |
|
|
Input |


"ArgosLib.lvlib:MotionProfileGenerator.vi History"
Current Revision: 36
