

|
|
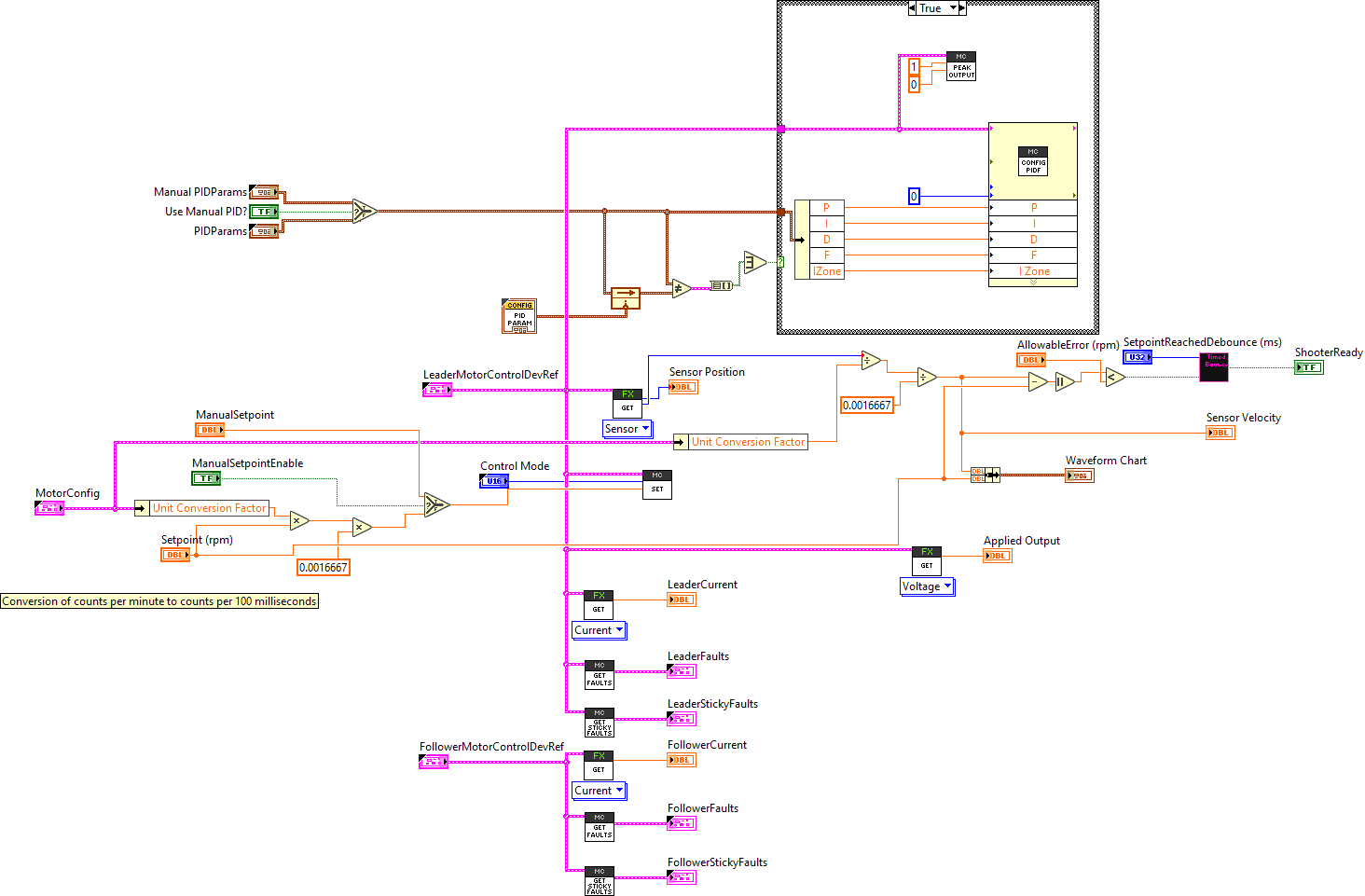
Setpoint (rpm) |
|
|
LeaderMotorControlDevRef |
|
|
DeviceStatus |
|
|
status status is TRUE (X) if an error occurred or FALSE (checkmark) to indicate a warning or that no error occurred. Right-click the error in control on the front panel and select Explain Error or Explain Warning from the shortcut menu for more information about the error. |
|
|
code code is the error or warning code. Right-click the error in control on the front panel and select Explain Error or Explain Warning from the shortcut menu for more information about the error. |
|
|
source source describes the origin of the error or warning. Right-click the error in control on the front panel and select Explain Error or Explain Warning from the shortcut menu for more information about the error. |
|
|
Type |
|
|
PWM |
|
|
PWM Channel |
|
|
DeadBand |
|
|
Name |
|
|
maxPositivePwm |
|
|
minPositivePwm |
|
|
centerPwm |
|
|
maxNegativePwm |
|
|
minNegativePwm |
|
|
angularRange |
|
|
CAN |
|
|
Device Number |
|
|
SetOutput VI Ref |
|
|
GetOutput VI Ref |
|
|
Enable VI Ref |
|
|
Disable VI Ref |
|
|
Data |
|
|
Invert |
|
|
DIO PWM |
|
|
PWM "Enable" Channel |
|
|
DIO Channel |
|
|
PWM Rate |
|
|
PIDParams |
|
|
P |
|
|
I |
|
|
D |
|
|
F |
|
|
IZone |
|
|
Manual PIDParams |
|
|
P |
|
|
I |
|
|
D |
|
|
F |
|
|
IZone |
|
|
Use Manual PID? |
|
|
FollowerMotorControlDevRef |
|
|
DeviceStatus |
|
|
status status is TRUE (X) if an error occurred or FALSE (checkmark) to indicate a warning or that no error occurred. Right-click the error in control on the front panel and select Explain Error or Explain Warning from the shortcut menu for more information about the error. |
|
|
code code is the error or warning code. Right-click the error in control on the front panel and select Explain Error or Explain Warning from the shortcut menu for more information about the error. |
|
|
source source describes the origin of the error or warning. Right-click the error in control on the front panel and select Explain Error or Explain Warning from the shortcut menu for more information about the error. |
|
|
Type |
|
|
PWM |
|
|
PWM Channel |
|
|
DeadBand |
|
|
Name |
|
|
maxPositivePwm |
|
|
minPositivePwm |
|
|
centerPwm |
|
|
maxNegativePwm |
|
|
minNegativePwm |
|
|
angularRange |
|
|
CAN |
|
|
Device Number |
|
|
SetOutput VI Ref |
|
|
GetOutput VI Ref |
|
|
Enable VI Ref |
|
|
Disable VI Ref |
|
|
Data |
|
|
Invert |
|
|
DIO PWM |
|
|
PWM "Enable" Channel |
|
|
DIO Channel |
|
|
PWM Rate |
|
|
Control Mode |
|
|
MotorConfig |
|
|
CAN Address |
|
|
Invert |
|
|
InvertSensor |
|
|
Unit Conversion Factor |
|
|
Brake Mode |
|
|
Reverse Limt Switch Mode |
|
|
Forward Limt Swith Mode |
|
|
PWM Channel PWM Channel specifies the channel you want to use for the motor controller. Select a value from PWM 0 to PWM 9 or from PWM MXP 0 to PWM MXP 9. The default is PWM 0. If PWM Channel is Invalid, this VI returns an error. |
|
|
Motor Controller Type |
|
|
Peak Current (A) |
|
|
Continuous Current (A) |
|
|
Peak Duration (ms) |
|
|
Current Limit Enable |
|
|
ManualSetpointEnable |
|
|
ManualSetpoint |
|
|
AllowableError (rpm) |
|
|
SetpointReachedDebounce (ms) |
|
|
Sensor Position |
|
|
Sensor Velocity |
|
|
Waveform Chart |
|
|
Applied Output A value between [-1 1] that represents the percent output applied to the motor. |
|
|
LeaderCurrent |
|
|
FollowerCurrent |
|
|
LeaderFaults |
|
|
Under Voltage |
|
|
Forward Limit Switch |
|
|
Reverse Limit Switch |
|
|
Forward Soft Limit |
|
|
Reverse Soft Limit |
|
|
Hardware Failure |
|
|
Reset During Enable |
|
|
Sensor Overflow |
|
|
Sensor Out of Phase |
|
|
Hardware ESD Reset |
|
|
Remote Loss of Signal |
|
|
API Fault |
|
|
Supply Over Voltage |
|
|
Supply Unstable |
|
|
LeaderStickyFaults |
|
|
Under Voltage |
|
|
Forward Limit Switch |
|
|
Reverse Limit Switch |
|
|
Forward Soft Limit |
|
|
Reverse Soft Limit |
|
|
Reset During Enable |
|
|
Sensor Overflow |
|
|
Sensor Out of Phase |
|
|
Hardware ESD Reset |
|
|
Remote Loss of Signal |
|
|
API Fault |
|
|
Supply Over Voltage |
|
|
Supply Unstable |
|
|
FollowerFaults |
|
|
Under Voltage |
|
|
Forward Limit Switch |
|
|
Reverse Limit Switch |
|
|
Forward Soft Limit |
|
|
Reverse Soft Limit |
|
|
Hardware Failure |
|
|
Reset During Enable |
|
|
Sensor Overflow |
|
|
Sensor Out of Phase |
|
|
Hardware ESD Reset |
|
|
Remote Loss of Signal |
|
|
API Fault |
|
|
Supply Over Voltage |
|
|
Supply Unstable |
|
|
FollowerStickyFaults |
|
|
Under Voltage |
|
|
Forward Limit Switch |
|
|
Reverse Limit Switch |
|
|
Forward Soft Limit |
|
|
Reverse Soft Limit |
|
|
Reset During Enable |
|
|
Sensor Overflow |
|
|
Sensor Out of Phase |
|
|
Hardware ESD Reset |
|
|
Remote Loss of Signal |
|
|
API Fault |
|
|
Supply Over Voltage |
|
|
Supply Unstable |
|
|
ShooterReady |


"ShooterControl.vi History"
Current Revision: 31
