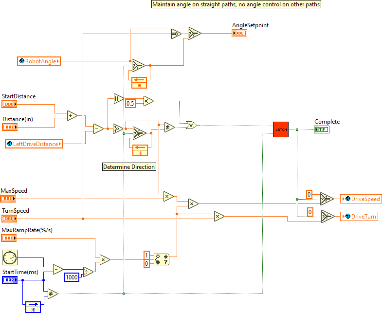
AutoDriveDistance.vi
Connector Pane

Front Panel

Controls and Indicators
|

|
Distance(in) |
|

|
MaxSpeed |
|

|
MaxRampRate(%/s) |
|

|
StartTime(ms) |
|

|
StartDistance |
|

|
TurnSpeed |
|

|
Complete |
|

|
AngleSetpoint |
Block Diagram

List of SubVIs and Express VIs with Configuration Information
VI Revision History
"AutoDriveDistance.vi History"
Current Revision: 10
Position in Hierarchy

Iconified Cluster Constants