ArgosLib.lvlib:Reach_Target.vi


Connector Pane

ArgosLib.lvlib:Reach_Target.vi


Front Panel

ArgosLib.lvlib:Reach_Target.vi


Controls and Indicators

cdbl

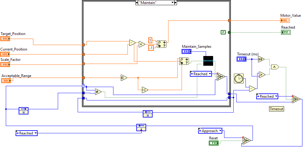
Target_Position

cdbl

Current_Position

cdbl

Scale_Factor

cbool

Reset

cdbl

Acceptable_Range

ci32

Maintain_Samples

ci32

Timeout (ms)

idbl

Motor_Value

ibool

Reached

Block Diagram

ArgosLib.lvlib:Reach_Target.vi

ArgosLib.lvlib:Reach_Target.vi

ArgosLib.lvlib:Reach_Target.vi


List of SubVIs and Express VIs with Configuration Information


VI Revision History

"ArgosLib.lvlib:Reach_Target.vi History"

Current Revision: 6


Position in Hierarchy

ArgosLib.lvlib:Reach_Target.vi


Iconified Cluster Constants