

|
|
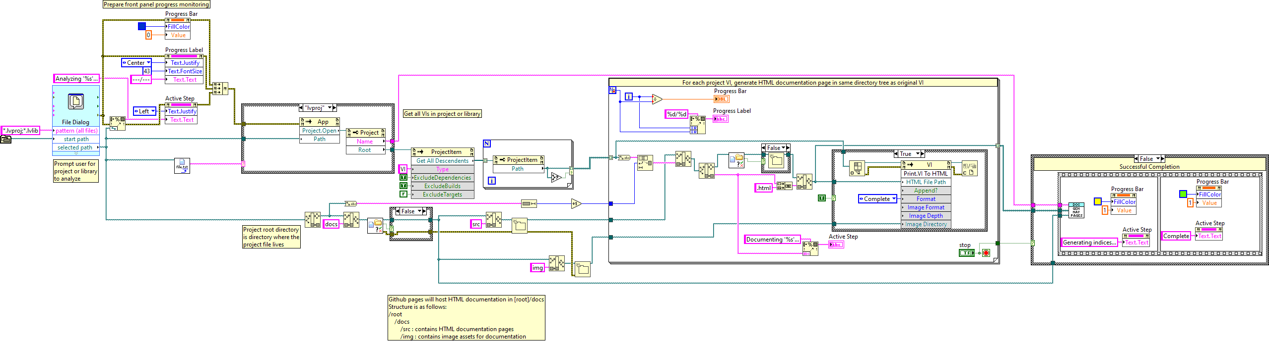
stop |
|
|
Slide[Progress Bar] |
|
|
Progress Label |
|
|
Active Step |







|
|
ArgosLib.lvlib:GenerateNavigationPages.vi C:\Users\FIRSTMentor\Documents\GitHub\2020-Robot\ArgosLib\Miscellaneous\AutoDoc\GenerateNavigationPages.vi |
|
|
Check if File or Folder Exists.vi C:\Program Files (x86)\National Instruments\LabVIEW 2019\vi.lib\Utility\libraryn.llb\Check if File or Folder Exists.vi |
|
|
Is Path and Not Empty.vi C:\Program Files (x86)\National Instruments\LabVIEW 2019\vi.lib\Utility\file.llb\Is Path and Not Empty.vi |
|
|
Get File Extension.vi C:\Program Files (x86)\National Instruments\LabVIEW 2019\vi.lib\Utility\libraryn.llb\Get File Extension.vi |
|
|
subFile Dialog.vi C:\Program Files (x86)\National Instruments\LabVIEW 2019\vi.lib\express\express input\FileDialogBlock.llb\subFile Dialog.vi |
|
|
Application Directory.vi C:\Program Files (x86)\National Instruments\LabVIEW 2019\vi.lib\Utility\file.llb\Application Directory.vi |
"ArgosLib.lvlib:AutoDoc.vi History"
Current Revision: 30
