

|
|
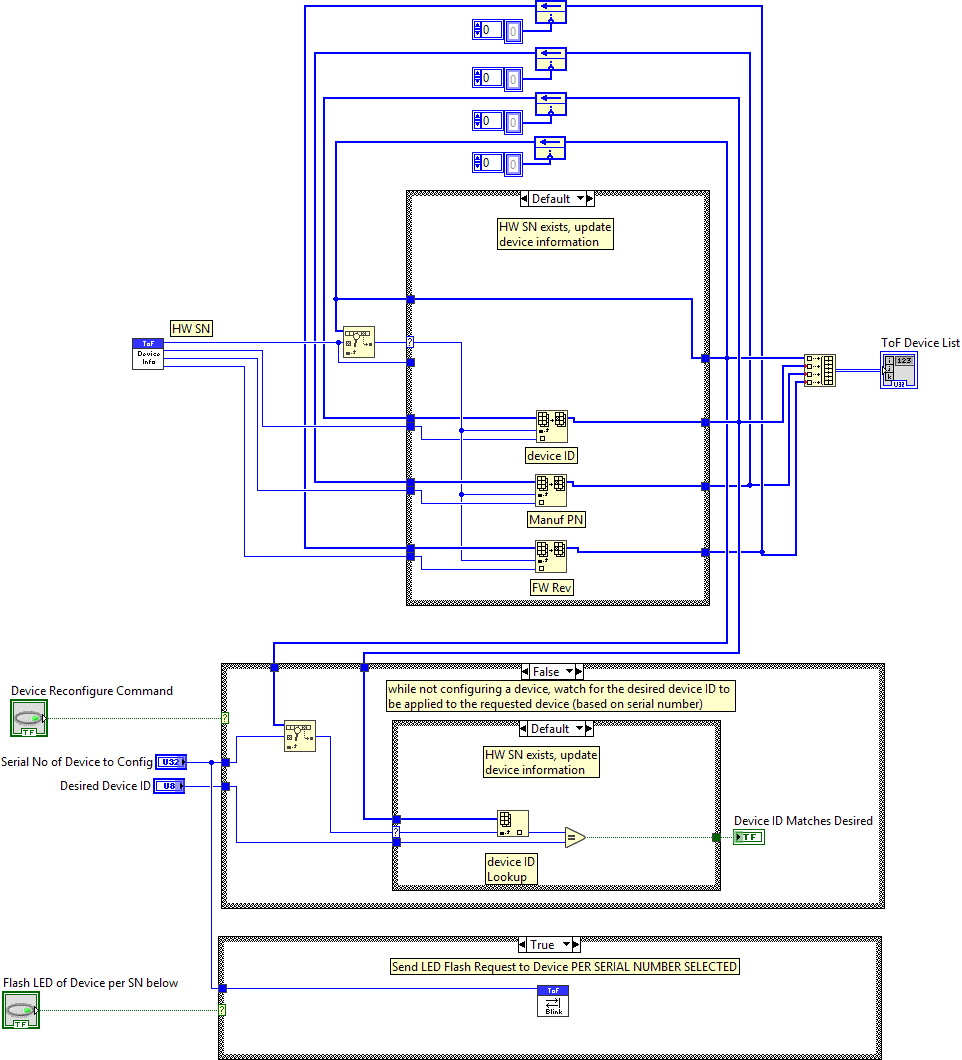
Serial No of Device to Config |
|
|
Desired Device ID |
|
|
Device Reconfigure Command |
|
|
Flash LED of Device per SN below |
|
|
ToF Device List[ToF Device List] |
|
|
y |
|
|
Device ID Matches Desired |





"PwF_ToF_DeviceID_Tuning_Panel.vi History"
Current Revision: 18
