

|
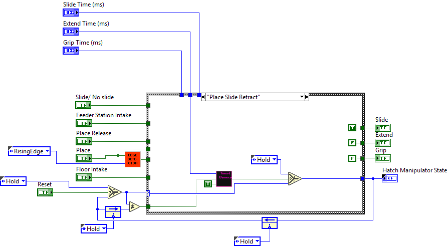
|
Feeder Station Intake |
|
|
Place |
|
|
Place Release |
|
|
Floor Intake |
|
|
Reset |
|
|
Slide Time (ms) |
|
|
Extend Time (ms) |
|
|
Grip Time (ms) |
|
|
Slide/ No slide |
|
|
Slide |
|
|
Extend |
|
|
Grip |
|
|
Hatch Manipulator State |


















"HatchManipulatorStateMachine.vi History"
Current Revision: 16
