

|
|
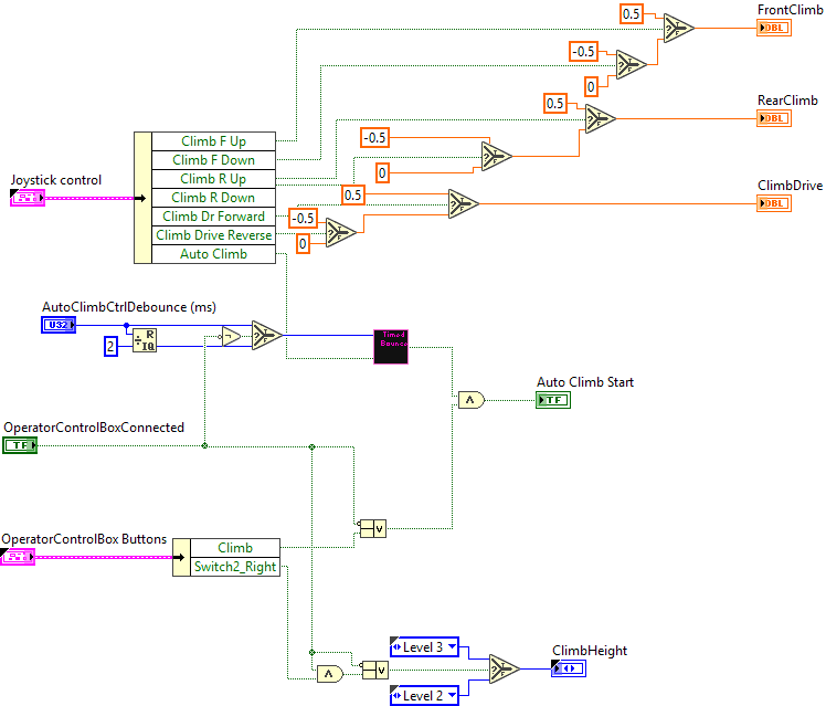
Joystick control |
|
|
Drive |
|
|
Drive Turn |
|
|
Unassigned_LX |
|
|
Unassigned_RY |
|
|
Claw Release |
|
|
Place |
|
|
Feeder |
|
|
SP Low |
|
|
SP Mid |
|
|
SP High |
|
|
Shift |
|
|
Arm Go To Position |
|
|
Unassigned_LJ |
|
|
Unassigned_RJ |
|
|
Swap_Back |
|
|
Swap_Start |
|
|
Unassigned_LY 2 |
|
|
Unassigned_RX 2 |
|
|
Unassigned_LX 2 |
|
|
Unassigned_RY 2 |
|
|
SP Feeder Station |
|
|
Back Intake REV |
|
|
Front Intake REV |
|
|
SP Low 2 |
|
|
SP Mid 2 |
|
|
SP High 2 |
|
|
Hatch/Cargo |
|
|
Go to Hold |
|
|
Unassigned_LJ 2 |
|
|
Unassigned_RJ 2 |
|
|
Swap_Back 2 |
|
|
Swap_Start 2 |
|
|
Unassigned_Up 2 |
|
|
Unassigned_Right 2 |
|
|
Arm Return |
|
|
Unassigned_Left 2 |
|
|
Auto Climb |
|
|
Unassigned_Right |
|
|
Unassigned_Down |
|
|
Unassigned_Left |
|
|
Shoulder |
|
|
Unassigned_RX 3 |
|
|
Unassigned_LX 3 |
|
|
Arm Extend |
|
|
Climb Drive Reverse |
|
|
Wrist CCW |
|
|
Wrist CW |
|
|
Rev Intake Extend |
|
|
Fw Intake Extend |
|
|
Climb Dr Forward |
|
|
Intake Ingest |
|
|
Claw Release 3 |
|
|
Unassigned_LJ 3 |
|
|
Unassigned_RJ 3 |
|
|
Intake Puke |
|
|
Unassigned Start 3 |
|
|
Climb F Up |
|
|
Climb R Up |
|
|
Climb F Down |
|
|
Climb R Down |
|
|
AutoClimbCtrlDebounce (ms) |
|
|
OperatorControlBox Buttons |
|
|
Position_FeederStation |
|
|
Position_Depot |
|
|
Position_NearRocket_Low |
|
|
Position_NearRocket_Mid |
|
|
Position_NearRocket_High |
|
|
Position_FarRocket_Low |
|
|
Position_FarRocket_Mid |
|
|
Position_FarRocket_High |
|
|
Mode_Hatch |
|
|
Mode_Cargo |
|
|
Side_Left |
|
|
Side_Right |
|
|
Climb |
|
|
Switch1_Left |
|
|
Switch1_Right |
|
|
Switch2_Left |
|
|
Switch2_Right |
|
|
Button1 |
|
|
Button2 |
|
|
Button3 |
|
|
Button4 |
|
|
Position_CargoShip |
|
|
OperatorControlBoxConnected |
|
|
FrontClimb |
|
|
RearClimb |
|
|
ClimbDrive |
|
|
Auto Climb Start |
|
|
ClimbHeight |

|
|
OperatorControlBoxButtons_Type.ctl C:\Users\dktur\Documents\Git\2019-Robot\DeepSpaceSrc\General\OperatorControlBox\TypeDefs\OperatorControlBoxButtons_Type.ctl |
"ClimberManualJoystickControl.vi History"
Current Revision: 9
