

|
|
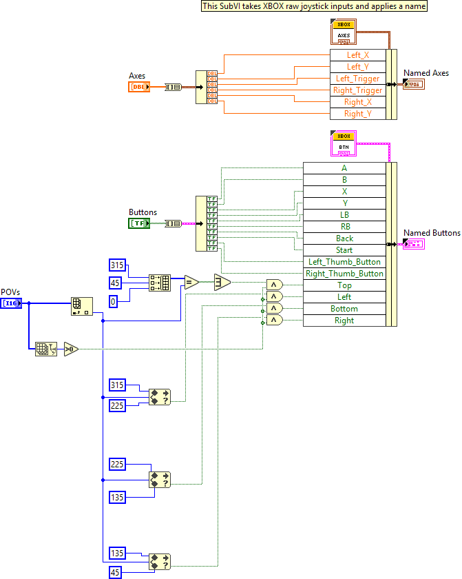
Axes |
|
|
upper limit |
|
|
Buttons |
|
|
|
|
POVs |
|
|
Numeric |
|
|
Named Buttons |
|
|
A |
|
|
B |
|
|
X |
|
|
Y |
|
|
LB |
|
|
RB |
|
|
Left_Thumb_Button |
|
|
Right_Thumb_Button |
|
|
Back |
|
|
Start |
|
|
Top |
|
|
Right |
|
|
Bottom |
|
|
Left |
|
|
Named Axes |
|
|
Left_Trigger |
|
|
Right_Trigger |
|
|
Left_X |
|
|
Left_Y |
|
|
Right_X |
|
|
Right_Y |

"ArgosLib.lvlib:XBOX_Joystick_Name.vi History"
Current Revision: 14
