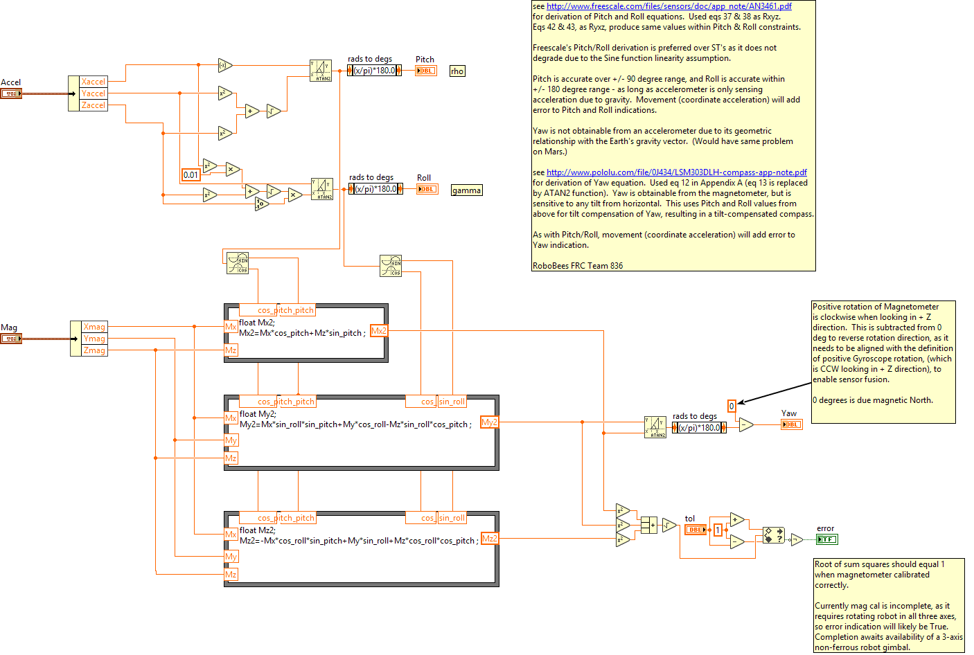
ADIS16448_IMU.lvlib:ADI_IMU_ADIS16448_Tilt_RoboBees.vi


Connector Pane

ADIS16448_IMU.lvlib:ADI_IMU_ADIS16448_Tilt_RoboBees.vi


Front Panel

ADIS16448_IMU.lvlib:ADI_IMU_ADIS16448_Tilt_RoboBees.vi


Controls and Indicators

cdbl

tol

cnclst

Mag

cnclst

Accel

idbl

Pitch

idbl

Roll

idbl

Yaw

ibool

error

Block Diagram

ADIS16448_IMU.lvlib:ADI_IMU_ADIS16448_Tilt_RoboBees.vi


List of SubVIs and Express VIs with Configuration Information


VI Revision History

"ADIS16448_IMU.lvlib:ADI_IMU_ADIS16448_Tilt_RoboBees.vi History"

Current Revision: 5


Position in Hierarchy

ADIS16448_IMU.lvlib:ADI_IMU_ADIS16448_Tilt_RoboBees.vi


Iconified Cluster Constants