

|
|
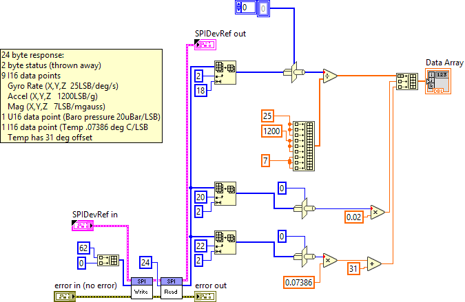
error in (no error) error in can accept error information wired from VIs previously called. Use this information to decide if any functionality should be bypassed in the event of errors from other VIs. Right-click the error in control on the front panel and select Explain Error or Explain Warning from the shortcut menu for more information about the error. |
|
|
status status is TRUE (X) if an error occurred or FALSE (checkmark) to indicate a warning or that no error occurred. Right-click the error in control on the front panel and select Explain Error or Explain Warning from the shortcut menu for more information about the error. |
|
|
code code is the error or warning code. Right-click the error in control on the front panel and select Explain Error or Explain Warning from the shortcut menu for more information about the error. |
|
|
source source describes the origin of the error or warning. Right-click the error in control on the front panel and select Explain Error or Explain Warning from the shortcut menu for more information about the error. |
|
|
SPIDevRef in |
|
|
DevStatus error in describes error conditions occurring before the function executes. |
|
|
status status is TRUE if an error occurred. |
|
|
code code is the error or warning code. The default is 0. |
|
|
source source specifies the origin of the error or warning and is, in most cases, the name of the VI or function that produced the error or warning. The default is an empty string. |
|
|
Handle |
|
|
SPI Bus |
|
|
SPIDevRef out |
|
|
DevStatus error in describes error conditions occurring before the function executes. |
|
|
status status is TRUE if an error occurred. |
|
|
code code is the error or warning code. The default is 0. |
|
|
source source specifies the origin of the error or warning and is, in most cases, the name of the VI or function that produced the error or warning. The default is an empty string. |
|
|
Handle |
|
|
SPI Bus |
|
|
error out error in can accept error information wired from VIs previously called. Use this information to decide if any functionality should be bypassed in the event of errors from other VIs. Right-click the error in control on the front panel and select Explain Error or Explain Warning from the shortcut menu for more information about the error. |
|
|
status status is TRUE (X) if an error occurred or FALSE (checkmark) to indicate a warning or that no error occurred. Right-click the error in control on the front panel and select Explain Error or Explain Warning from the shortcut menu for more information about the error. |
|
|
code code is the error or warning code. Right-click the error in control on the front panel and select Explain Error or Explain Warning from the shortcut menu for more information about the error. |
|
|
source source describes the origin of the error or warning. Right-click the error in control on the front panel and select Explain Error or Explain Warning from the shortcut menu for more information about the error. |
|
|
Data Array |
|
|

"ADIS16448_IMU.lvlib:ADI_IMU_ADIS16448_ReadSensorData.vi History"
Current Revision: 58
