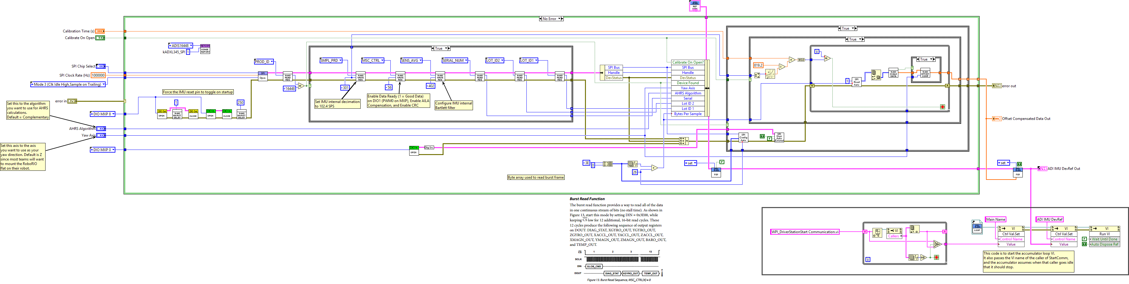
Initiates communication between an Analog Devices MXP IMU and the RoboRIO.


|
|
error in error in (no error) describes error conditions that occur before this node runs. The default is no error. If an error occurred before this node runs, the node passes the error in (no error) value to error out. This node runs normally only if no error occurred before this node runs. If an error occurs while this node runs, it runs normally and sets its own error status in error out. Use the Simple Error Handler or General Error Handler VIs to display the description of the error code. Use exception control to treat what is normally an error as no error or to treat a warning as an error. Use error in (no error) and error out to check errors and to specify execution order by wiring error out from one node to error in (no error) of the next node. |
|
|
status status is TRUE (X) if an error occurred before this node ran or FALSE (checkmark) to indicate a warning or that no error occurred before this node ran. The default is FALSE. |
|
|
code code is the error or warning code. The default is 0. If status is TRUE, code is an error code. If status is FALSE, code is 0 or a warning code. |
|
|
source source specifies the origin of the error or warning and is, in most cases, the name of the node that produced the error or warning. The default is an empty string. |
|
|
SPI Chip Select |
|
|
Yaw Axis |
|
|
AHRS Algorithm |
|
|
Calibrate On Open |
|
|
Calibration Time (s) |
|
|
error out error in can accept error information wired from VIs previously called. Use this information to decide if any functionality should be bypassed in the event of errors from other VIs. Right-click the error in control on the front panel and select Explain Error or Explain Warning from the shortcut menu for more information about the error. |
|
|
status status is TRUE (X) if an error occurred or FALSE (checkmark) to indicate a warning or that no error occurred. Right-click the error in control on the front panel and select Explain Error or Explain Warning from the shortcut menu for more information about the error. |
|
|
code code is the error or warning code. Right-click the error in control on the front panel and select Explain Error or Explain Warning from the shortcut menu for more information about the error. |
|
|
source source describes the origin of the error or warning. Right-click the error in control on the front panel and select Explain Error or Explain Warning from the shortcut menu for more information about the error. |
|
|
Offset Compensated Data Out |
|
|
mean |
|
|
ADI IMU DevRef Out SPIDevRef specifies a reference to the SPI Engine you want to use. |
|
|
DevStatus error in describes error conditions occurring before the function executes. |
|
|
status status is TRUE if an error occurred. |
|
|
code code is the error or warning code. The default is 0. |
|
|
source source specifies the origin of the error or warning and is, in most cases, the name of the VI or function that produced the error or warning. The default is an empty string. |
|
|
Handle |
|
|
SPI Bus |
|
|
Device Found |
|
|
Device Ready |
|
|
Yaw Axis |
|
|
AHRS Algorithm |
|
|
Serial |
|
|
Lot ID 2 |
|
|
Lot ID 1 |
|
|
Bytes Per Sample |
|
|
Calibrate On Open? |






"ADIS16448_IMU.lvlib:ADI_IMU_ADIS16448_Open.vi History"
Current Revision: 323
