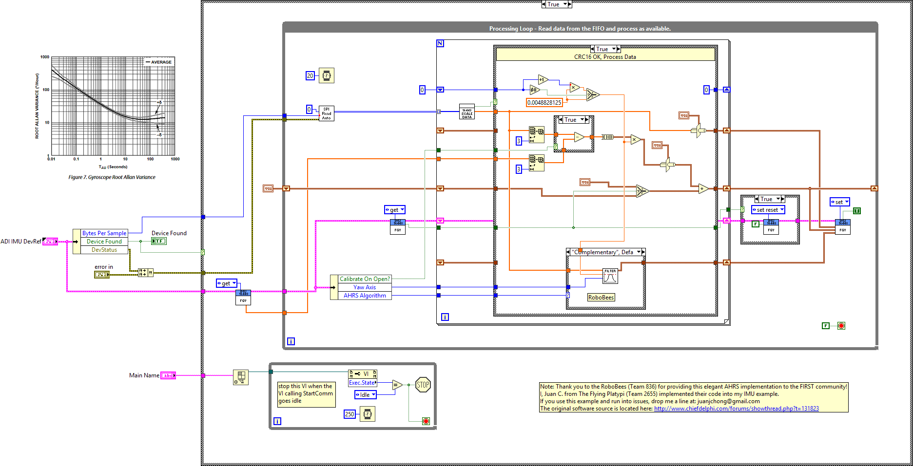
Periodically reads the ADI MXP IMU valuse and makes data available for use elsewhere in your robot project. Place this block within PeriodicTasks.vi outside any loops.


|
|
error in error in can accept error information wired from VIs previously called. Use this information to decide if any functionality should be bypassed in the event of errors from other VIs. Right-click the error in control on the front panel and select Explain Error or Explain Warning from the shortcut menu for more information about the error. |
|
|
status status is TRUE (X) if an error occurred or FALSE (checkmark) to indicate a warning or that no error occurred. Right-click the error in control on the front panel and select Explain Error or Explain Warning from the shortcut menu for more information about the error. |
|
|
code code is the error or warning code. Right-click the error in control on the front panel and select Explain Error or Explain Warning from the shortcut menu for more information about the error. |
|
|
source source describes the origin of the error or warning. Right-click the error in control on the front panel and select Explain Error or Explain Warning from the shortcut menu for more information about the error. |
|
|
Main Name |
|
|
ADI IMU DevRef SPIDevRef specifies a reference to the SPI Engine you want to use. |
|
|
DevStatus error in describes error conditions occurring before the function executes. |
|
|
status status is TRUE if an error occurred. |
|
|
code code is the error or warning code. The default is 0. |
|
|
source source specifies the origin of the error or warning and is, in most cases, the name of the VI or function that produced the error or warning. The default is an empty string. |
|
|
Handle |
|
|
SPI Bus |
|
|
Device Found |
|
|
Device Ready |
|
|
Yaw Axis |
|
|
AHRS Algorithm |
|
|
Serial |
|
|
Lot ID 2 |
|
|
Lot ID 1 |
|
|
Bytes Per Sample |
|
|
Calibrate On Open? |
|
|
Device Found |






"ADIS16448_IMU.lvlib:ADI_IMU_ADIS16448_Loop.vi History"
Current Revision: 458
rev. 208 Thu, Jan 14, 2016 7:25:35 PM Chong
y




