IntakeFwdRevControl.vi


Connector Pane

IntakeFwdRevControl.vi


Front Panel

IntakeFwdRevControl.vi


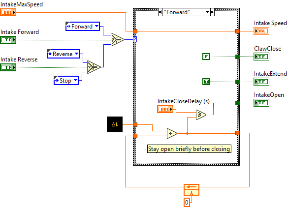
Controls and Indicators

cdbl

IntakeMaxSpeed

cbool

Intake Forward

cbool

Intake Reverse

cdbl

IntakeCloseDelay (s)

ibool

ClawClose

idbl

Intake Speed

ibool

IntakeExtend

ibool

IntakeOpen

Block Diagram

IntakeFwdRevControl.vi

IntakeFwdRevControl.vi

IntakeFwdRevControl.vi


List of SubVIs and Express VIs with Configuration Information


VI Revision History

"IntakeFwdRevControl.vi History"

Current Revision: 10


Position in Hierarchy

IntakeFwdRevControl.vi


Iconified Cluster Constants