

|
|
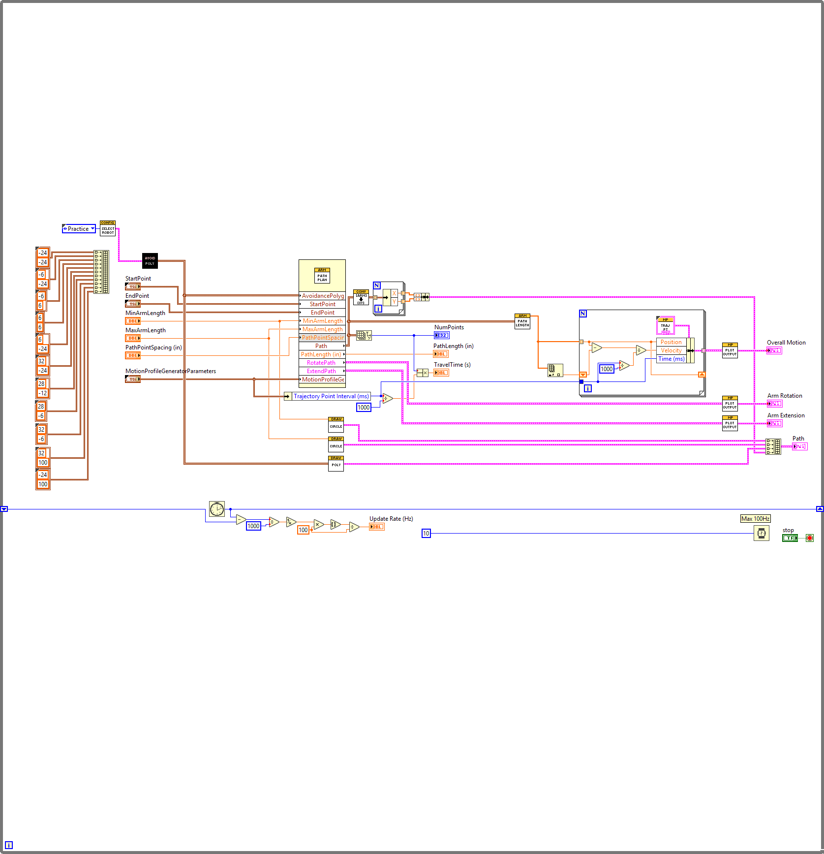
stop |
|
|
MinArmLength |
|
|
MaxArmLength |
|
|
PathPointSpacing (in) |
|
|
StartPoint |
|
|
X |
|
|
Y |
|
|
EndPoint |
|
|
X |
|
|
Y |
|
|
MotionProfileGeneratorParameters |
|
|
Trajectory Point Interval (ms) |
|
|
Maximum Travel Speed (units/s) |
|
|
Velocity Ramp Time (ms) |
|
|
Acceleration Ramp Time (ms) |
|
|
Update Rate (Hz) |
|
|
Path |
|
|
NumPoints |
|
|
PathLength (in) |
|
|
TravelTime (s) |
|
|
Overall Motion |
|
|
Arm Extension |
|
|
Arm Rotation |

"TestArmPathPlanner.vi History"
Current Revision: 28
