

|
|
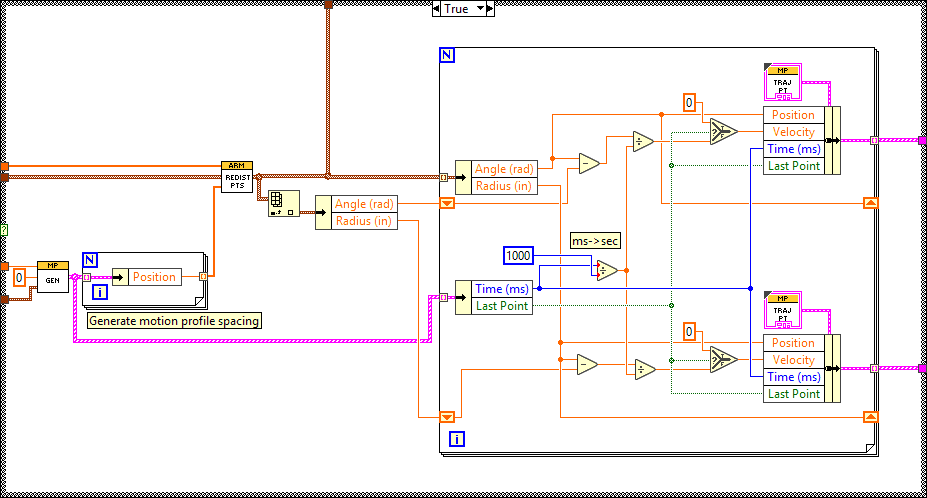
ArmPathIn |
|
|
Point |
|
|
Radius (in) |
|
|
Angle (rad) |
|
|
IndexedPathLength |
|
|
Hypotenuse |
|
|
PathDistance |
|
|
MotionProfileGeneratorParameters |
|
|
Trajectory Point Interval (ms) |
|
|
Maximum Travel Speed (units/s) |
|
|
Velocity Ramp Time (ms) |
|
|
Acceleration Ramp Time (ms) |
|
|
RotatePath |
|
|
trajectory point |
|
|
Position |
|
|
Velocity |
|
|
Time (ms) |
|
|
Last Point |
|
|
ExtendPath |
|
|
trajectory point |
|
|
Position |
|
|
Velocity |
|
|
Time (ms) |
|
|
Last Point |
|
|
ArmPathOut |
|
|
Point |
|
|
Radius (in) |
|
|
Angle (rad) |


"GenerateArmMotionProfilePoints.vi History"
Current Revision: 11
