

|
|
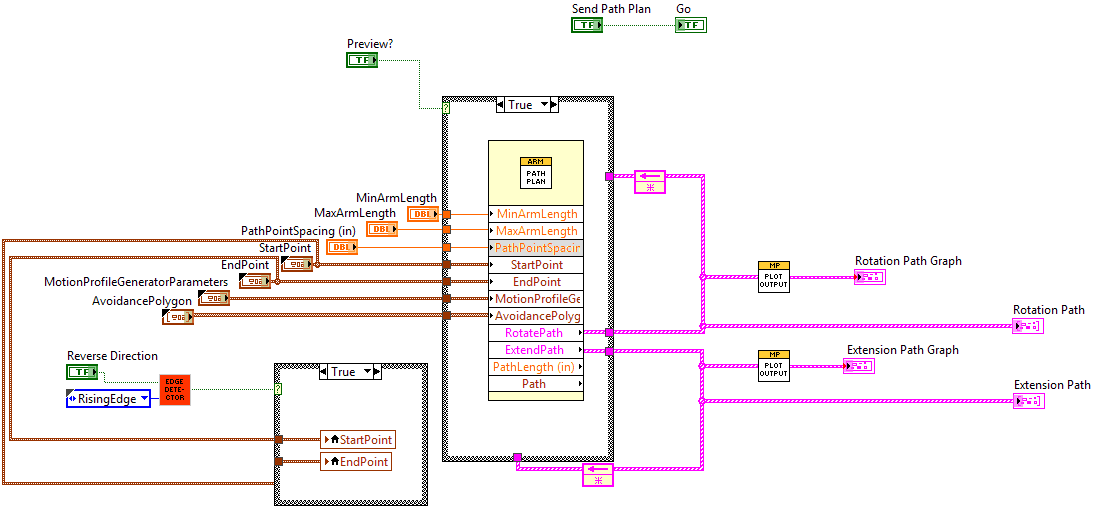
MinArmLength |
|
|
MaxArmLength |
|
|
PathPointSpacing (in) |
|
|
StartPoint |
|
|
X |
|
|
Y |
|
|
EndPoint |
|
|
X |
|
|
Y |
|
|
MotionProfileGeneratorParameters |
|
|
Trajectory Point Interval (ms) |
|
|
Maximum Travel Speed (units/s) |
|
|
Velocity Ramp Time (ms) |
|
|
Acceleration Ramp Time (ms) |
|
|
Reverse Direction |
|
|
Send Path Plan |
|
|
Preview? |
|
|
AvoidancePolygon |
|
|
2DPoint |
|
|
X |
|
|
Y |
|
|
Rotation Path |
|
|
trajectory point |
|
|
Position |
|
|
Velocity |
|
|
Time (ms) |
|
|
Last Point |
|
|
Extension Path |
|
|
trajectory point |
|
|
Position |
|
|
Velocity |
|
|
Time (ms) |
|
|
Last Point |
|
|
Extension Path Graph |
|
|
Go |
|
|
Rotation Path Graph |



"ArmPathPlanPreview.vi History"
Current Revision: 5
