

|
|
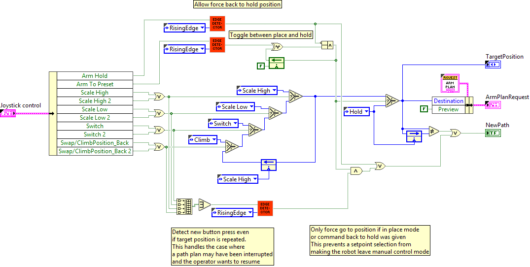
Joystick control |
|
|
drive speed |
|
|
drive turning |
|
|
Unassigned_LX |
|
|
Unassigned_RY |
|
|
Cube Release |
|
|
Intake Forward |
|
|
Intake Reverse |
|
|
Switch |
|
|
Scale Low |
|
|
Scale High |
|
|
Shift |
|
|
Arm To Preset |
|
|
Win_LJ |
|
|
Win_RJ |
|
|
Swap/ClimbPosition_Back |
|
|
Swap_Start |
|
|
Arm Extend/Retract |
|
|
Unassigned_RX 2 |
|
|
Unassigned_LX 2 |
|
|
Arm Pivot Up/Down |
|
|
Cube Release 2 |
|
|
Extend/Retract Intake |
|
|
Open/Close Intake |
|
|
Switch 2 |
|
|
Scale High 2 |
|
|
Scale Low 2 |
|
|
Claw Pinch 2 |
|
|
Arm Hold |
|
|
Unassigned_LJ 2 |
|
|
Unassigned_RJ 2 |
|
|
Swap/ClimbPosition_Back 2 |
|
|
Swap/SelfieStick_Start 2 |
|
|
Climb Up 2 |
|
|
Unassigned_Right 2 |
|
|
Climb Down 2 |
|
|
Unassigned_Left 2 |
|
|
Climb Up |
|
|
Unassigned_Right |
|
|
Climb Down |
|
|
Unassigned_Left |
|
|
ArmPlanRequest |
|
|
Destination |
|
|
Preview |
|
|
Start |
|
|
Fixed Start |
|
|
NewPath |
|
|
TargetPosition |

"ArmJoystickControl.vi History"
Current Revision: 15
