

|
|
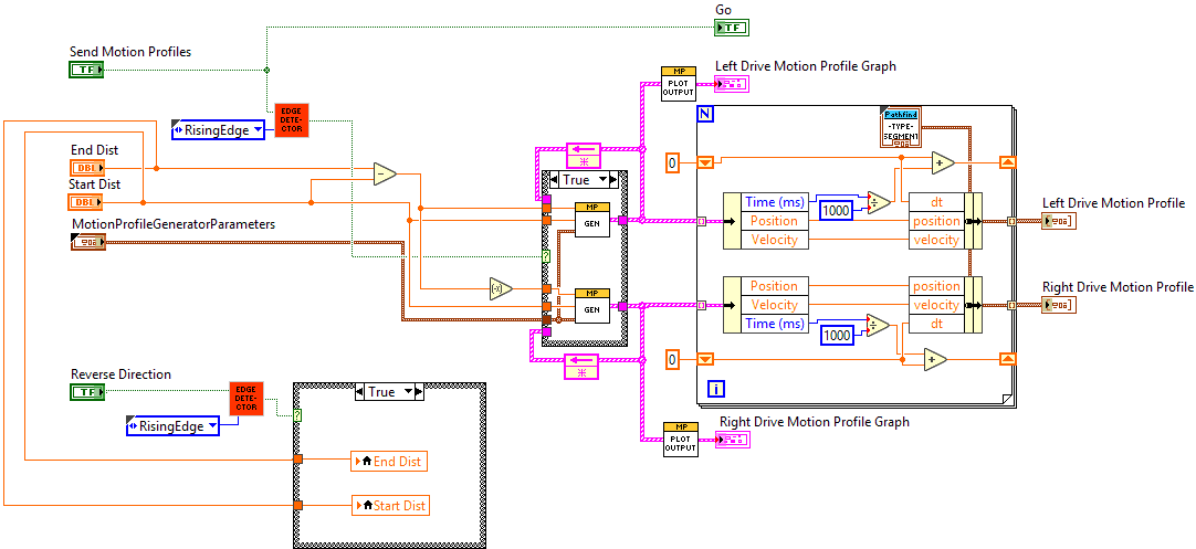
Start Dist |
|
|
End Dist |
|
|
Send Motion Profiles |
|
|
Reverse Direction |
|
|
MotionProfileGeneratorParameters |
|
|
Trajectory Point Interval (ms) |
|
|
Maximum Travel Speed (units/s) |
|
|
Velocity Ramp Time (ms) |
|
|
Acceleration Ramp Time (ms) |
|
|
Right Drive Motion Profile |
|
|
trajectory point |
|
|
dt double |
|
|
x double |
|
|
y double |
|
|
position double |
|
|
velocity double |
|
|
acceleration double |
|
|
jerk double |
|
|
heading double |
|
|
Left Drive Motion Profile |
|
|
trajectory point |
|
|
dt double |
|
|
x double |
|
|
y double |
|
|
position double |
|
|
velocity double |
|
|
acceleration double |
|
|
jerk double |
|
|
heading double |
|
|
Go |
|
|
Left Drive Motion Profile Graph |
|
|
Right Drive Motion Profile Graph |



"DriveTuningPathGenerator.vi History"
Current Revision: 25
