

|
|
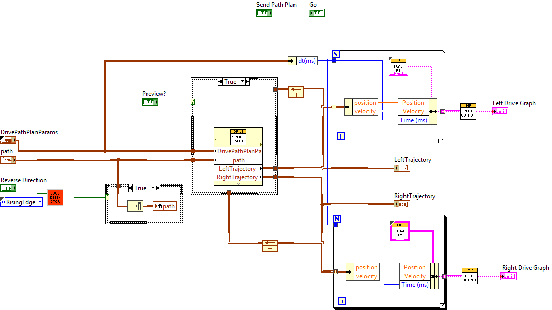
Reverse Direction |
|
|
Send Path Plan |
|
|
Preview? |
|
|
path |
|
|
path |
|
|
x double |
|
|
y double |
|
|
angle double |
|
|
DrivePathPlanParams |
|
|
max_velocity (in/s) double |
|
|
max_acceleration (in/s^2) double |
|
|
max_jerk (in/s^3) double |
|
|
dt(ms) double |
|
|
sample_count int |
|
|
wheelbase_width (in) double |
|
|
Go |
|
|
LeftTrajectory |
|
|
segment |
|
|
dt double |
|
|
x double |
|
|
y double |
|
|
position double |
|
|
velocity double |
|
|
acceleration double |
|
|
jerk double |
|
|
heading double |
|
|
RightTrajectory |
|
|
segment |
|
|
dt double |
|
|
x double |
|
|
y double |
|
|
position double |
|
|
velocity double |
|
|
acceleration double |
|
|
jerk double |
|
|
heading double |
|
|
Right Drive Graph |
|
|
Left Drive Graph |



"DrivePathPlanPreview.vi History"
Current Revision: 18
