

|
|
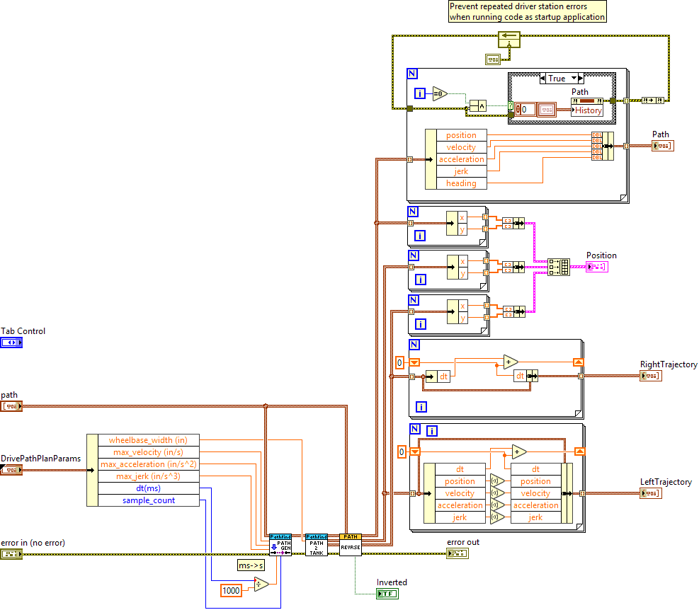
path |
|
|
path |
|
|
x double |
|
|
y double |
|
|
angle double |
|
|
Tab Control |
|
|
DrivePathPlanParams |
|
|
max_velocity (in/s) double |
|
|
max_acceleration (in/s^2) double |
|
|
max_jerk (in/s^3) double |
|
|
dt(ms) double |
|
|
sample_count int |
|
|
wheelbase_width (in) double |
|
|
error in (no error) error in can accept error information wired from VIs previously called. Use this information to decide if any functionality should be bypassed in the event of errors from other VIs. Right-click the error in control on the front panel and select Explain Error or Explain Warning from the shortcut menu for more information about the error. |
|
|
status status is TRUE (X) if an error occurred or FALSE (checkmark) to indicate a warning or that no error occurred. Right-click the error in control on the front panel and select Explain Error or Explain Warning from the shortcut menu for more information about the error. |
|
|
code code is the error or warning code. Right-click the error in control on the front panel and select Explain Error or Explain Warning from the shortcut menu for more information about the error. |
|
|
source source describes the origin of the error or warning. Right-click the error in control on the front panel and select Explain Error or Explain Warning from the shortcut menu for more information about the error. |
|
|
error out error out passes error or warning information out of a VI to be used by other VIs. Right-click the error out indicator on the front panel and select Explain Error or Explain Warning from the shortcut menu for more information about the error. |
|
|
status status is TRUE (X) if an error occurred or FALSE (checkmark) to indicate a warning or that no error occurred. Right-click the error out indicator on the front panel and select Explain Error or Explain Warning from the shortcut menu for more information about the error. |
|
|
code code is the error or warning code. Right-click the error out indicator on the front panel and select Explain Error or Explain Warning from the shortcut menu for more information about the error. |
|
|
source source string describes the origin of the error or warning. Right-click the error out indicator on the front panel and select Explain Error or Explain Warning from the shortcut menu for more information about the error. |
|
|
Path |
|
|
Position |
|
|
RightTrajectory |
|
|
segment |
|
|
dt double |
|
|
x double |
|
|
y double |
|
|
position double |
|
|
velocity double |
|
|
acceleration double |
|
|
jerk double |
|
|
heading double |
|
|
LeftTrajectory |
|
|
segment |
|
|
dt double |
|
|
x double |
|
|
y double |
|
|
position double |
|
|
velocity double |
|
|
acceleration double |
|
|
jerk double |
|
|
heading double |
|
|
Inverted |


"DriveSplinePathPlanner.vi History"
Current Revision: 95

