

|
|
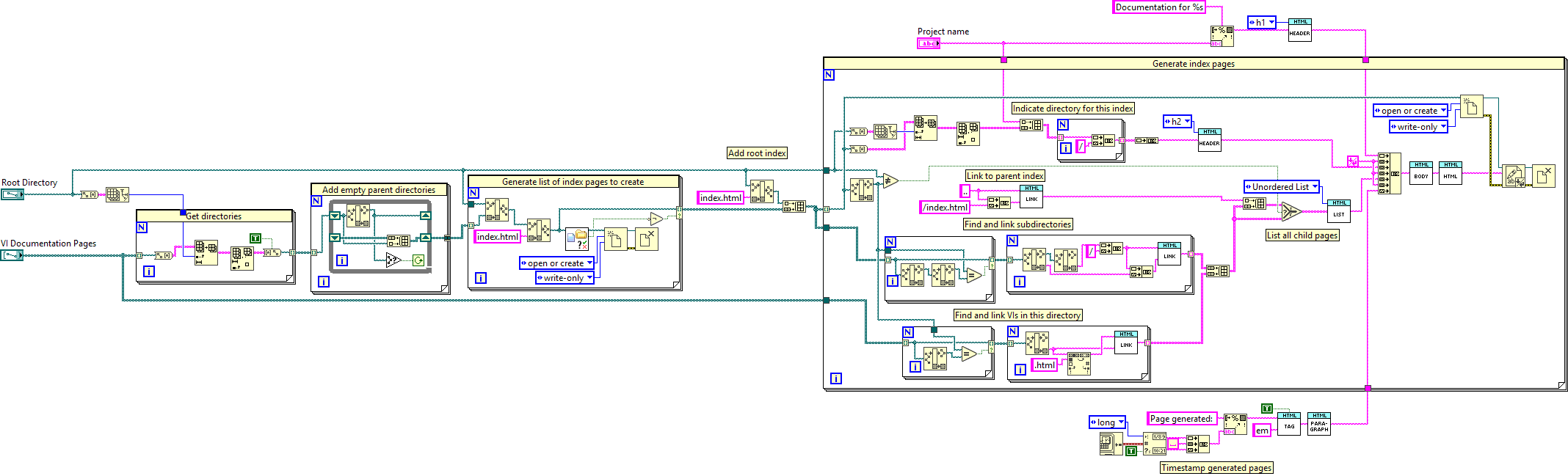
Root Directory |
|
|
VI Documentation Pages |
|
|
Path |
|
|
Project name |

|
|
ArgosLib.lvlib:MakeHTMLBody.vi C:\Users\dktur\Documents\Git\2018-Robot\ArgosLib\Miscellaneous\AutoDoc\HTML Helpers\MakeHTMLBody.vi |
|
|
Space Constant.vi C:\Program Files (x86)\National Instruments\LabVIEW 2017\vi.lib\dlg_ctls.llb\Space Constant.vi |
|
|
Is Path and Not Empty.vi C:\Program Files (x86)\National Instruments\LabVIEW 2017\vi.lib\Utility\file.llb\Is Path and Not Empty.vi |
|
|
ArgosLib.lvlib:MakeHTMLList.vi C:\Users\dktur\Documents\Git\2018-Robot\ArgosLib\Miscellaneous\AutoDoc\HTML Helpers\MakeHTMLList.vi |
|
|
ArgosLib.lvlib:TagHTMLContent.vi C:\Users\dktur\Documents\Git\2018-Robot\ArgosLib\Miscellaneous\AutoDoc\HTML Helpers\TagHTMLContent.vi |
|
|
Check if File or Folder Exists.vi C:\Program Files (x86)\National Instruments\LabVIEW 2017\vi.lib\Utility\libraryn.llb\Check if File or Folder Exists.vi |
|
|
ArgosLib.lvlib:MakeHTML.vi C:\Users\dktur\Documents\Git\2018-Robot\ArgosLib\Miscellaneous\AutoDoc\HTML Helpers\MakeHTML.vi |
|
|
ArgosLib.lvlib:MakeHTMLLink.vi C:\Users\dktur\Documents\Git\2018-Robot\ArgosLib\Miscellaneous\AutoDoc\HTML Helpers\MakeHTMLLink.vi |
|
|
ArgosLib.lvlib:MakeHTMLHeader.vi C:\Users\dktur\Documents\Git\2018-Robot\ArgosLib\Miscellaneous\AutoDoc\HTML Helpers\MakeHTMLHeader.vi |
|
|
ArgosLib.lvlib:MakeHTMLParagraph.vi C:\Users\dktur\Documents\Git\2018-Robot\ArgosLib\Miscellaneous\AutoDoc\HTML Helpers\MakeHTMLParagraph.vi |
"ArgosLib.lvlib:GenerateNavigationPages.vi History"
Current Revision: 13
